Skip to content

产品规格书 - HX8-U29H-M / RX8-U29H-M

HX8-U29H-M

HX8-U29H-M

RX8-U29H-M

RX8-U29H-M

1. 产品特点

  • 采用无刷马达 / 不锈钢齿轮组设计
  • UART 双向通信,最高波特率 1 Mbps,支持位置与状态回读
  • 12-bit 绝对值位置编码器(4,096 阶分辨率),可任意设定原点
  • 最大控制范围 ±368,640°(1,024 圈),具备断电角度记忆功能
  • 内置梯形加减速算法,实现平滑运动控制
  • 提供三种停止模式:锁力保持 / 失锁释放 / 阻尼控制
  • 集成温度、电压、堵转、功率、电流多重保护机制,具备智能功率限制功能
  • 配套可视化上位机调试软件,支持固件升级

2. 型号定义

产品命名-型号规则

3. 规格参数

3.1. 基础参数

参数项 参数值
工作电压 9.0~12.6 V
马达类型 无刷马达
位置传感器 12-bit 非接触式绝对值编码器(磁编码)
分辨率 4096 阶 / 360°(0.088°)
有效角度 ±180°(单圈)/±368,640°(多圈)
处理器 32-bit MCU
通信类型 UART / TTL 半双工
波特率 9,600 bps ~ 1 Mbps
ID 范围 0 ~ 254
减速比 173:1
齿轮材料 全金属不锈钢组合
输出轴规格 不锈钢 / Ø6 mm / D 型
外壳材料 全铝合金
接口类型 PH2.0 – 3Pin
尺寸重量 40 × 20 × 40 mm / 83 g
工作温度 -10~60 ℃
工作模式 单圈角度 | 多圈角度 | 阻尼模式

3.2. 特性参数(@12V)

参数项 参数值
静态堵转扭矩 2.74 N·m(28 kg·cm)
最大动态扭矩 1.18 N·m(12 kg·cm)
额定扭矩 0.44 N·m(4.5 kg·cm)
空载转速 142 rpm(0.070 s / 60°)
额定转速 116 rpm(0.086 s / 60°)
峰值电流 5.5 A
空载电流 <300 mA
待机电流 <40 mA
轴向 20 N
径向 40 N
T-N 特性曲线
机械过载曲线

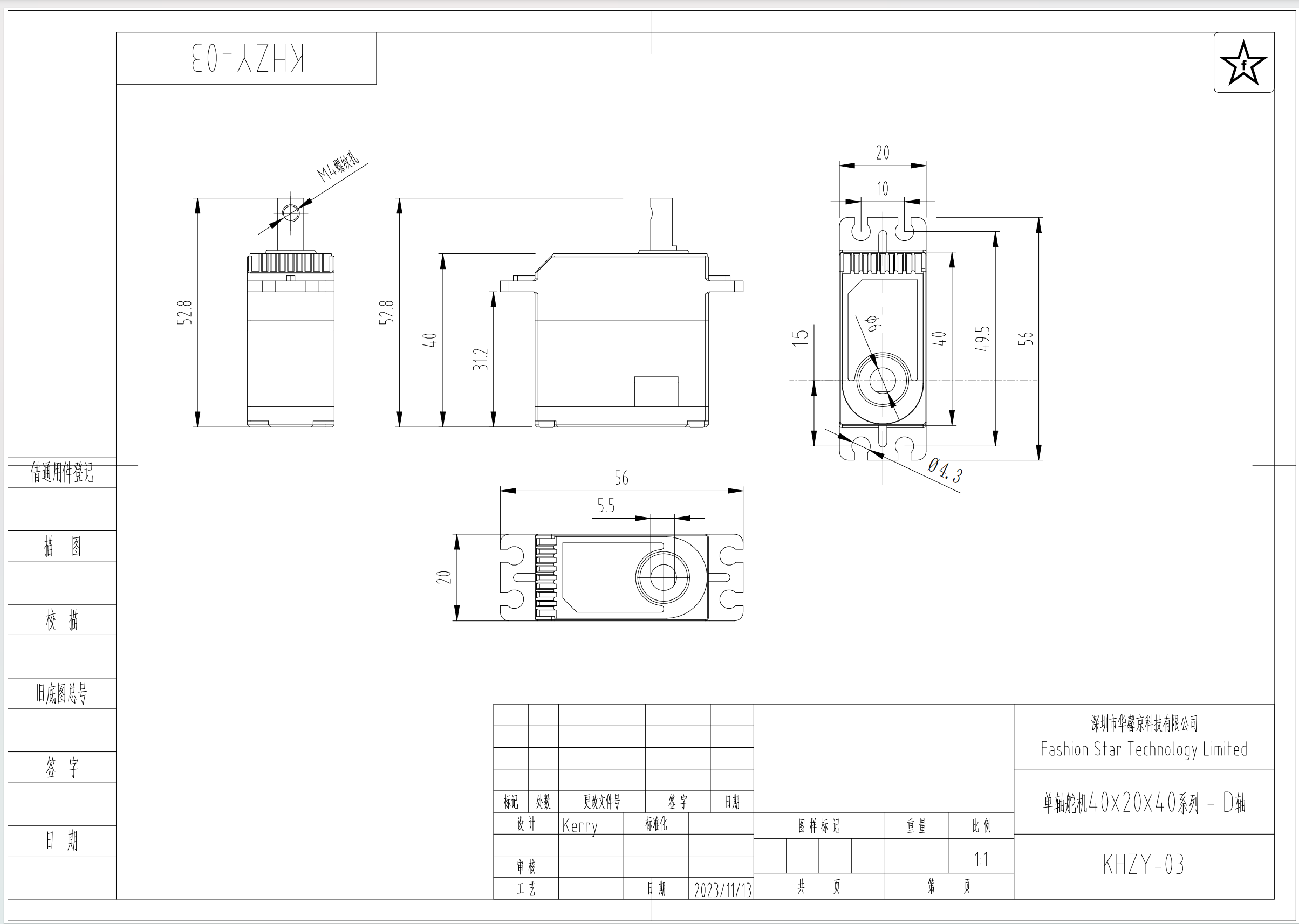
4. 外观尺寸与安装

4.1. 单轴舵机

ha8-hx8-dshaft-series

single-sharft-installation-02

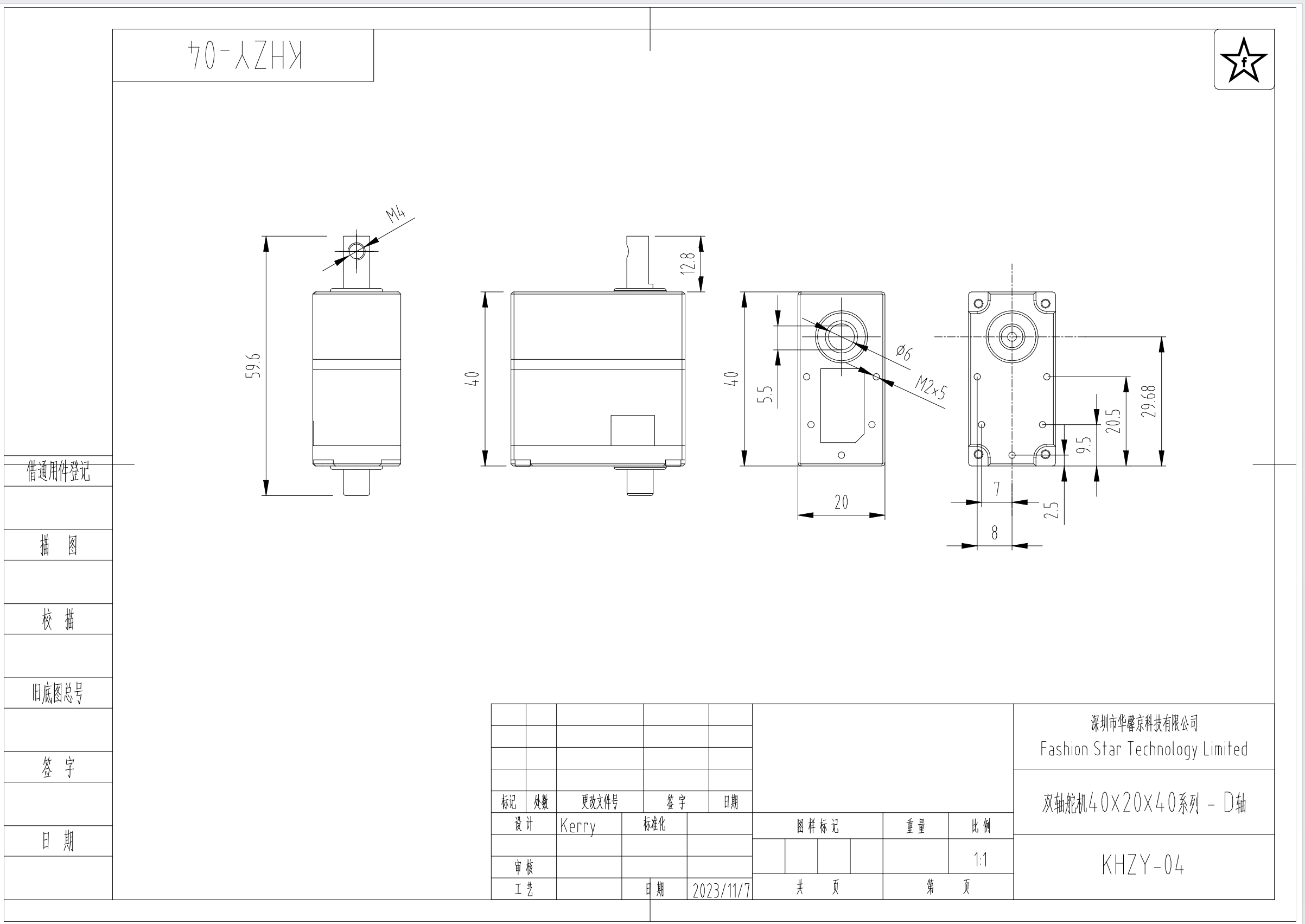
4.2. 双轴舵机

ra8-rx8-dshaft-series

dual-sharft-installation-02

5. 接口与连线

引脚定义

串联
并联

6. 开发环境与SDK

提供覆盖主流控制板、语言与机器人框架的 SDK/示例工程,支持快速验证、功能开发与系统集成。

平台/环境/语言 兼容型号/内容
Arduino
ESP32
STM32
树莓派
编程语言
操作系统

7. 保护功能

温度保护
  • 触发:【工作温度】>【设定阈值】
  • 动作强制低功率运行,限制出力,维持基础运动
  • 恢复:温度降至设定值 - 10℃ 时,自动恢复
堵转保护
  • 触发:【堵转失锁开关:ON】+【当前功率>保护阈值】
  • 动作自动释放锁力,防止电机长时间过载烧毁
  • 恢复:无需断电,发送 停止指令 即可恢复工作
功率保护
  • 触发:【堵转失锁开关:OFF】+【当前功率>保护阈值】
  • 动作限制运行功率,降至“堵转功率上限”运行
  • 恢复:功率负载回落后,自动恢复
电压保护
  • 触发:【工作电压】超出【高/低压设定范围】
  • 动作自动释放锁力,无力矩输出,进入自由状态
  • 恢复必须重新上电,且电压恢复至正常区间
电流保护
  • 触发:【工作电流】>【设定阈值】
  • 动作自动释放锁力,作为末端安全冗余保障
  • 恢复:电流回落至阈值以下,自动恢复

Warning

  • 电压保护触发后,必须断电并重新上电,舵机才会恢复工作。
  • 堵转/功率/电流保护用于避免过载损坏,阈值设置过高可能导致保护失效。
  • 若频繁触发温度/电流保护,请降低负载或改善散热与供电。

Note

  1. 温度保护的默认阈值为 70℃。
  2. 电压保护的默认保护区间:
    • 7.4V 版本:6.0V - 8.4V
    • 12V 版本:9.0V - 12.6V
    • 24V 版本:20.0V - 25.2V
  3. 电流保护可与堵转/功率保护结合使用,当上位机未触发前两项逻辑时,电流保护作为硬件层级的最后保障。

8. 指令与协议

8.1 控制指令

指令名称 指令编号 响应封包类型
通讯检测 01 (0x01) 固定
简易单圈角度控制 08 (0x08) 可配置
高级单圈角度控制 (基于时间) 11 (0x0b) 可配置
高级单圈角度控制 (基于速度) 12 (0x0c) 可配置
当前单圈角度读取 10 (0x0a) 固定
简易多圈角度控制 13 (0x0d) 可配置
高级多圈角度控制 (基于时间) 14 (0x0e) 可配置
高级多圈角度控制 (基于速度) 15 (0x0f) 可配置
当前多圈角度读取 16 (0x10) 固定
重置圈数 17 (0x11) 可配置
阻尼控制 09 (0x09) 可配置
停止指令 24 (0x18) 可配置
同步指令 25 (0x19)
异步写入指令 18 (0x12)
异步执行指令 19 (0x13)
数据读取 03 (0x03) 固定
数据监控 22 (0x16) 固定
设置原点 23 (0x17) 可配置
自定义配置参数 04 (0x04) 可配置

8.2 协议格式

  • 发送协议格式
字节位 0~1 2 3 4~N+3 N+4
内容 请求头标识
0x12 0x4c
指令编号 内容长度N 数据内容 校验和

示例:ID2 舵机以最大功率,500ms 时间旋转到 90 度的位置

transmit_command

  • 响应协议格式
字节位 0~1 2 3 4~N+3 N+4
内容 响应头标识
0x05 0x1c
指令编号 内容长度N 数据内容 校验和

解包:0x86 0x03 是当前的舵机角度,解包后是 902,转换为角度制就是 90.2 度。

respond_command

Tip

  • 产品支持多种控制指令,不同指令长度可能存在差异。为避免因指令丢包导致控制异常,建议在指令发送完成后再增加至少 10ms 的间隔时间。 例如:指令1(发送完成)→ 延迟10ms → 指令2(发送完成)→ 延迟10ms → 指令3
  • 在默认设置下,当前指令执行过程中,若伺服舵机收到新的控制指令,将立即中断当前指令并优先执行新指令。原指令将不再继续执行。
  • 通过发送对应 ID 的 Ping 指令,根据回包情况判断该舵机是否在线。

9. 运动控制

9.1 单圈角度控制

支持按时间/速度两类控制,参数包含目标角度、运行功率、加减速等;并可通过单圈角度读取指令获取当前位置。

指令ID 指令名称 参数
08 (0x08) 简易单圈角度控制 目标角度、运动时间、运行功率
11 (0x0B) 高级单圈角度控制(基于时间) 目标角度、运动时间、加速时间、减速时间、运行功率
12 (0x0C) 高级单圈角度控制(基于速度) 目标角度、运动速度、加速时间、减速时间、运行功率
10 (0x0A) 单圈角度读取 当前角度
梯形加减速

Note

  • 控制范围:单圈模式可控范围为 ±180°。
  • 控制单位:角度单位为 °,最小控制精度 0.1°。

9.2 多圈角度控制

支持按时间/速度两类控制,参数包含目标角度、运行功率、加减速等;并可通过多圈角度读取指令获取当前位置。

指令ID 指令名称 参数
13 (0x0D) 简易多圈角度控制 目标角度、运动时间、运行功率
14 (0x0E) 高级多圈角度控制(基于时间) 目标角度、运动时间、加速时间、减速时间、运行功率
15 (0x0F) 高级多圈角度控制(基于速度) 目标角度、运动速度、加速时间、减速时间、运行功率
16 (0x10) 多圈角度读取 当前角度
梯形加减速

Note

  • 控制范围:多圈角度模式下,控制范围为 ±368,640°(±1,024圈)。
  • 控制单位:角度单位为 °,最小控制精度 0.1°。

绝对角度重设

  • 在舵机处于释放锁力状态时,可通过上位机或指定指令来重设当前角度数据。
  • 重设后,舵机会以当前绝对位置来重设角度,再次设定后的角度初始值将在 -180° 至 +180° 范围内。

示例:如图所示,A1 点当前角度为 6,880°,重设后的角度为 θ1。A2 点当前角度为 6,800°,重设后的角度为 -θ2。

多圈重置

断电角度记忆

  • 支持断电角度记忆功能。
  • 断电后,若伺服舵机的角度未发生变化,则上电后读取的当前角度值保持不变。 例如:A 点为断电前的角度位置 6,800°,断电期间角度未改变,舵机仍停留在 A 点,则上电后读取的角度仍为 6,800°。
  • 断电后,若由于外力作用导致舵机角度发生变化,则再次上电后读取到的角度值将落在记忆角度 ±180° 的范围内。 例如:如图所示,A 点为断电前的角度 6,800°。若断电期间舵机被外力转动,最终停在 B1 点,则上电后读取角度为 6,920°;若停在 B2 点,则读取角度为 6,680°。
掉电记忆

9.3 阻尼模式

  • 允许伺服舵机在外部力的作用下调整到不同的角度位置,同时保持一定的阻尼效果。
  • 阻尼系数可自定义。

9.4 停止指令

  • 客户可以根据不同运动控制需要,选择合适的停止指令类型,具体类型详见下表。
  • 停止指令也可被用于伺服舵机在堵转保护下,恢复正常工作状态使用。
  • 当伺服舵机在失锁状态下,发送“保持锁力”指令,可使其从当前位置重建锁力。
停止指令类型 动作模式
失去锁力 舵机立即停止运动,并释放锁力。
保持锁力 舵机立即停止运动,并维持锁力,或在无锁力状态恢复锁力。
保持阻尼 舵机立即停止运动,并进入阻尼模式,外力可以调整角度。

9.5 同步指令

  • 单条指令同时包含多个伺服舵机的控制指令,适用于多个舵机协同动作的场景。
  • 每个伺服舵机通过唯一的 ID 与指令内容中的参数进行匹配,仅解析并响应与自身 ID 相关的控制信息。
  • 所有伺服舵机接收完指令后,将同时开始执行各自的指令,实现同步动作效果。

9.6 异步指令

  • 异步指令由异步写入指令异步执行指令两部分组成。
  • 异步写入指令发送后,再发送需要执行的运动指令,使该指令暂存在对应 ID 伺服舵机的寄存器中,该运动指令不会立即执行,需通过异步执行指令统一启动。
  • 当异步执行指令下达时,所有已暂存运动指令的伺服舵机将同时执行对应动作,实现多个伺服舵机的同步控制效果。
  • 已暂存的运动指令,在未重新写入或未断电的情况下将持续保留,不会因其他指令的运行而被覆盖或清除。
  • 异步指令被触发执行后,相关参数将被自动清除,不再保留。

10. 参数设置和升级

10.1 修改ID

10.2 设置波特率

10.3 设置工作电压

10.4 设置堵转保护

10.5 升级固件