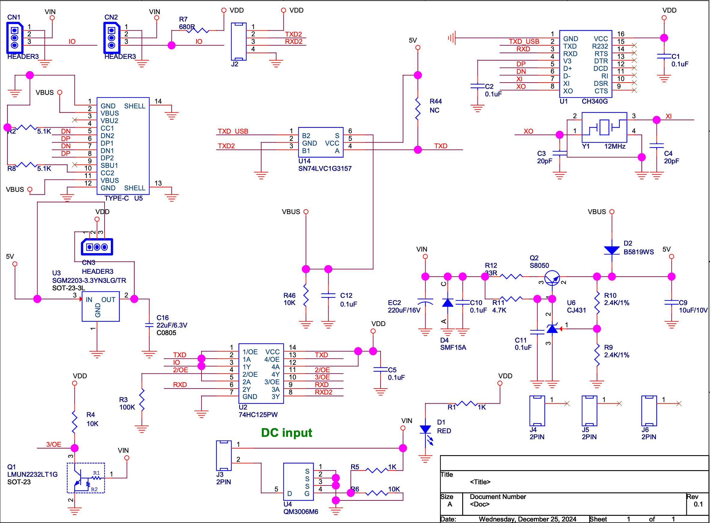
Datasheet - TTL/USB Adapter and Configuration Board UC-01
1. Features
- Integrated half-duplex and full-duplex conversion
- Supports switching between 3.3 V and 5.0 V logic levels
- Equipped with a Type-C data interface
- Suitable for ID configuration, parameter setting, and communication with bus servo devices on PCs or other platforms
2. Specifications
| Item | Value |
|---|---|
| Input Voltage | 6.0-15.0 V |
| Signal Conversion | Half-duplex to full-duplex |
| TTL Logic Level | 3.3 V | 5.0 V |
| Maximum Current Capacity | 20 A |
| Output Port | 1 serial port |
| Data Interface | Type-C |
| Operating Temperature | -10 to 60 C |
| Protection | Reverse polarity protection |
| Servo Port | PH2.0 × 2 |
| Mounting Holes | M2.0 × 3 |
| Power Indicator | Red |
| Dimensions | 36 x 24 mm |
| Weight | 5 g |




