跳转至

规格书 - STM32 总线舵机开发板 PTC-32

PTC-32

STM32 总线舵机开发板 PTC-32
CNY99.00

点击购买

1. 产品特点

  • 集成 TTL/USB 转换功能
  • 板载 4+2 按键
  • OpenMV 专用接口

2. 规格参数

参数项 参数值
输入电压 6.0-8.7v
转换信号 半双工转全双工
TTL电平 3.3v | 5.0v
最大承载电流 20A
串口输出 1组
数据接口 MicroUSB
工作温度 -10 ~ 60℃
保护功能 反接保护
舵机接口 PH2.0 × 2

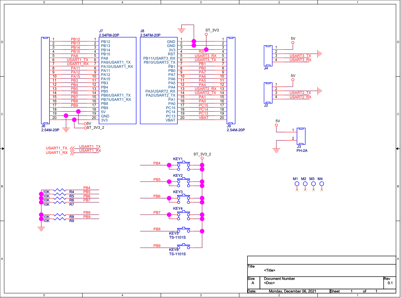
3. 接口说明

引脚定义

4. 参考线路图

ptc-32-pinout