规格书 - TTL/USB 转接调试板 UC-01
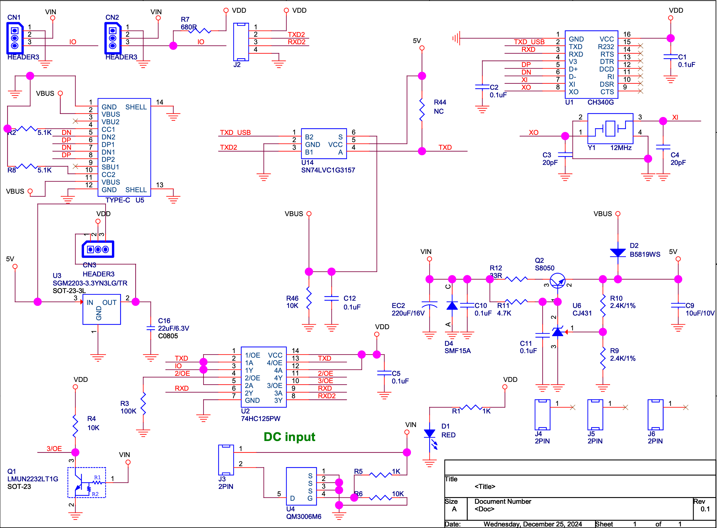
1. 产品特点
- 集成了半双工和全双工的转换功能
- 支持3.3v与5.0v的电平切换
- 配备了Type-C数据接口
- 适用于总线舵机的ID配置、参数设置以及与PC和其他平台之间的通信
2. 规格参数
| 参数项 | 参数值 |
|---|---|
| 输入电压 | 6.0-15.0v |
| 转换信号 | 半双工转全双工 |
| TTL电平 | 3.3v | 5.0v |
| 最大承载电流 | 20A |
| 串口输出 | 1组 |
| 数据接口 | Type-C |
| 工作温度 | -10 ~ 60℃ |
| 保护功能 | 反接保护 |
| 舵机接口 | PH2.0 × 2 |
| 固定孔位 | M2.0 × 3 |
| 电源指示灯 | 红色 |
| 尺寸 | 36×24mm |
| 重量 | 5g |






